钟祥头号玩家官网登录入口机电制造股份有限公司前身是钟祥电机厂,1968年筹建工厂,原机电部确认为定点生产中小型电机的专业厂家。主要生产各类振动电机、振动机械、输送机械。是中国电器工业协会中小型电机分会理事单位、中国重型机械工业协会洗选设备专业委员会理事单位,是中国大型的振动电机生产厂家。
VB系列振动电机是我公司于1984年开始引进日本技术,与日本中岛技术工程公司、华中科技大学合作共同研究、开发的通用性振动电机。 VB系列振动电机作为各类振动机械的激振源,如振动给料机、振动输送机、振动放矿机、振动落砂机、振动筛分机、料仓的振动防闭塞装置等,广泛应用于电力、建材、煤炭、矿山、冶金、化工、轻工、铸造等行业。
VB系列振动电机行销国内二十多个省、市、自治区,远销欧洲、非洲、日本及东南亚,曾先后荣获国家星火计划成果适用展览会银奖、省优质产品奖、省科技进步奖、省优秀新产品“金鹤奖”、省节能产品奖,是“湖北省名牌产品”。
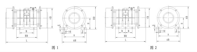
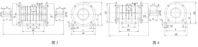
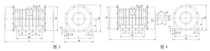
特点:
1.激振力与出力配合适当,机体质量轻、体积小。
2.因利用平稳的回转产生振动,噪声低。
3.全封闭结构,可在无防爆要求的粉尘条件下工作。
4.使用寿命长,轴承寿命2极达5000小时,4、6、8极达10000小时。
5.只需调节偏心块夹角,就可以无级调整激振力大小,满足各种工况需求。
6.可多机组合成各种振动形式,以满足各种作业要求。
7.机种丰富,规格齐全,能满足各类振动机械的工作需要。
VB系列振动电机,功率0.12~25KW,2、4、6、8极,激振力为2.5~300KN,共计56个规格。