钟祥头号玩家官网登录入口机电制造股份有限公司——中国大型振动电机生产基地!联系人:吴经理 电话:13972894787
设为首页
|
加入收藏
检索标题
智能模糊
搜索
网站首页
关于我们
公司介绍
董事长致辞
公司文化
公司发展
组织机构
企业人物
企业优势
闻邦椿院士简介
新闻中心
公司新闻
振动电机
振动机械
给料设备
振动筛分机械
闸门、阀门系列
电气控制箱
振动平台
质量体系
专利证书
质量证书
质量保障
服务支持
联系我们
您所在的位置:
主页
>
振动电机
>
VBCB系列三相异步振动电机
时间:
2019-06-27
来源:
头号玩家官网登录入口机电
作者:
头号玩家官网登录入口机电
点击:
1220 次
钟祥头号玩家官网登录入口机电制造股份有限公司,钟祥电机,销售经理吴云, 手机:13972894787。
钟祥头号玩家官网登录入口机电制造股份有限公司前身是钟祥电机厂,1968年筹建工厂,原机电部确认为定点生产中小型电机的专业厂家。主要生产各类振动电机、振动机械、输送机械。是中国电器工业协会中小型电机分会理事单位、中国重型机械工业协会洗选设备专业委员会理事单位,是中国大型的振动电机生产厂家。
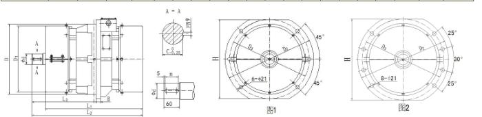
VBCB系列三相异步振动电机是我公司自主开发的新产品,拥有自主知识产权,受国家法律保护。与普通振动电机相比,它省去了振动机械复杂的电机底板 VBCB系列振动电机结构,电机直接安装在振动机械的侧板上,可使振动机械实现圆运动或直线运动,同时可使振动机械重量减轻,机体刚度要求减小,减少振动机械的能耗,安装维护方便、单机激振力大、寿命长(达10000小时)。它广泛运用于电力、建材、煤炭、化工、矿山、冶金、轻工、铸造等行业,主要适用于大型筛分设备,由于其独特的特点,可逐步替代轴偏心、块偏心等其它类型的激振源,同时为我国大型振动机械提供了新型、可靠的激振源。
上一篇:
VBH系列频繁起动振动电机
下一篇:
VBB系列隔爆振动电机
热点动态
VBL系列立式振动电机
YBZX系列粉尘防爆振动电机
YBZQ系列防爆振动电机
VB系列三相异步振动电机
VBB系列隔爆振动电机
关于头号玩家官网登录入口机电
ABOUT US
公司介绍
董事长致辞
公司文化
公司发展
组织机构
企业人物
企业优势
闻邦椿院士简介
新闻中心
NEWS
公司新闻
产品中心
PRODUCTS
给料设备
振动筛分机械
闸门、阀门系列
电气控制箱
振动平台
质量体系
PRODUCTS
专利证书
质量证书
质量保障
联系我们
CONTACT US
专利证书
质量证书
质量保障
全国服务热线
139-7289-4787
版权: 钟祥头号玩家官网登录入口机电制造股份有限公司 地址: 湖北省钟祥市经济开发区西环二路8号 技术支持:
钟祥瑞安快网
ICP备案:
鄂ICP备09012154号